ECH220110-2546-A0D7长按3秒开关机IC
一. 功能说明
供电方式:3.7V锂电池。上电OUTL为高电平。
KEY1功能: 长按3秒开机,OUTL脚输出低电平,再长按3秒关机,OUTL翻转为高电平。
KEY2功能:开机状态KEY2检测到有高电平且持续时间超过0.5秒,IC进入关机状态OUTL翻转为高电平(小于0.5S维持原有状态),需长按 KEY1 3秒重新开机 。KEY2 检测到高电平时KEY1 按键无效;关机状态下 KEY2 无检测功能 。
二. 电气参数(VDD=5.0V TA=25℃)
|
参数 |
符号 |
z小值 |
典型值 |
z大值 |
单位 |
条件 |
|
工作电压 |
VDD |
2.4 |
3.0 |
5.0 |
V |
|
|
工作电流 |
IOP |
|
1.6 |
|
mA |
Fcpu=4MHz@HIRC-8M |
|
静态电流 |
ISTB |
|
3 |
|
uA |
VDD=5V, WDT 开, LVR 关 |
|
驱动电流 |
Iol |
|
|
30 |
mA |
Vol=0.6V |
|
工作温度 |
TA |
-10 |
25 |
70 |
℃ |
|
|
储存温度 |
Tstg |
-20 |
25 |
100 |
℃ |
|
三. 封装脚位图(SOT23-6)
|
管脚号 |
符号 |
功能描述 |
|
1 |
NC |
悬空 |
|
2 |
GND |
电源负 |
|
3 |
OUTL |
LED输出,低电平有效 |
|
4 |
KEY1 |
触发开关 |
|
5 |
VDD |
电源正 |
|
6 |
KEY2 |
信号检测脚 |
四. 电路图参考
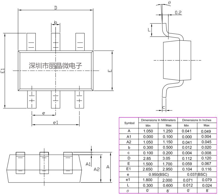
五. 封装尺寸图(SOT23-6)
六. 版本说明
|
版本 |
日期 |
描述 |
|
ECH220110-2546-A0D7 |
2022/1/19 |
V01初版 |
|
|
|
|


