返回主站|会员中心|保存桌面|手机浏览
普通会员

深圳市丽晶微电子科技有限公司

主要专业从事CMOS消费类IC:闪灯IC,音乐IC,语音IC,红外线遥控类,LED控制类驱动...

产品分类
站内搜索
 
友情链接
首页 > 供应产品 > 带断电记忆开关机芯片 8脚开关电源芯片
带断电记忆开关机芯片 8脚开关电源芯片
点击图片查看原图
产品: 浏览次数:354带断电记忆开关机芯片 8脚开关电源芯片 
品牌: 丽晶微电子
工作电压: 3.0v-5.0v
工作电流: 10UA
静态电流: 3-5ua
单价: 面议
最小起订量: 3000 个
供货总量: 1000000 个
发货期限: 自买家付款之日起 3 天内发货
有效期至: 长期有效
最后更新: 2024-08-23 10:40
  询价
详细信息

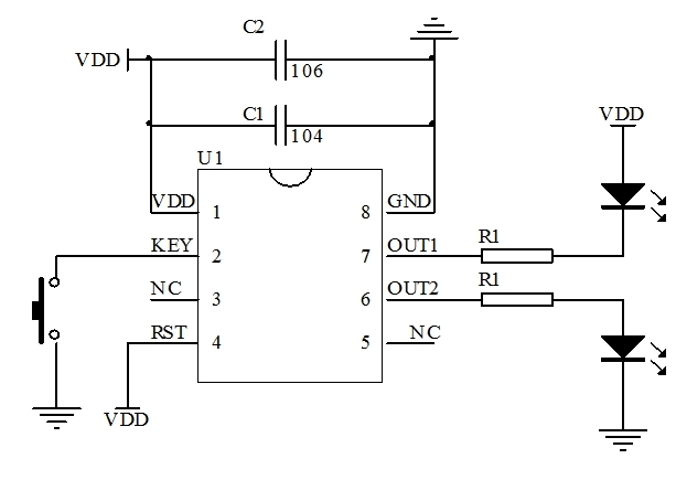
ECJ22136-2386 带断电记忆开关芯片

一.功能说明

一路输入控制两路电平信号输出一路输出低电平,一路输出高电平。上电OUT1为高电平、OUT2为低电平,触发一下,两路输出同步工作OUT1输出低电平、OUT2输出高电平,再按一下关。开关功能。有断电记忆,记忆当前状态。

二.电气参数(VDD=5.0V  TA=25℃)

参数

符号

z小值

典型值

z大值

单位

条件

工作电压

VDD

2.0

3.0

5.0

V

 

工作电流

IOP

 

10

 

uA

VDD=3.0V

静态电流

ISTB

 

3

5

uA

VDD=3.0V

驱动电流低电平输出

IOL

 

28

 

mA

VDD=5.0V,VOL=0.5V

驱动电流高电平输出

IOH

 

15

 

mA

VDD=5.0V,VOH=4.5V

VDD极限电流

IVDDmax

 

50

 

mA

 

GND极限电流

IGNDmax

 

50

 

mA

 

工作温度

TA

-40

25

85

 

储存温度

Tstg

-40

25

125

 

 

三.封装脚位图(SOP-8)

 

四.PIN引脚说明及功能描述

 

管脚号

符号

功能描述

1

VDD

电源正

2

KEY

开关控制脚

3

NC

悬空

4

RST

外部上拉电阻

5

NC

悬空

6

OUT2

上电低电平,触发高电平输出

7

OUT1

上电高电平,触发低电平输出

8

GND

电源负

 

五.电路图参考

 

六.封装尺寸图SOP-8)

 

 

七.版本说明

版本

日期

描述

ECJ22136-2386

2022/10/29

V01初版

询价单