ECJ22111-AFD782调光芯片
一.功能说明
供电方式:VDD=3.0V。 一路按键(或声控信号)输入控制,两路LED同步输出:1路高电平、1路低电平。
上电不工作,短按下按键LED-100%输出,再短按一下-50%输出,再短按一下-15%输出,再短按一下灭。依次循环。
二.电气参数(VDD=5.0V TA=25℃)
|
参数 |
符号 |
z小值 |
典型值 |
z大值 |
单位 |
条件 |
|
工作电压 |
VDD |
2.2 |
3.0 |
5.0 |
V |
|
|
工作电流 |
IOP |
|
2 |
|
uA |
|
|
静态电流 |
ISTB |
|
2 |
|
uA |
VDD=5.0V |
|
驱动电流低电平输出 |
IOL |
|
14 |
|
mA |
VDD=5.0V,VOL=0.7V |
|
驱动电流高电平输出 |
IOH |
|
6 |
|
mA |
VDD=5.0V,VOH=VDD-0.7 |
|
过VDD极限电流 |
IVDDmax |
|
|
50 |
mA |
|
|
过GND极限电流 |
IGNDmax |
|
|
50 |
mA |
|
|
工作温度 |
TA |
-10 |
25 |
60 |
℃ |
|
|
储存温度 |
Tstg |
-20 |
25 |
120 |
℃ |
|
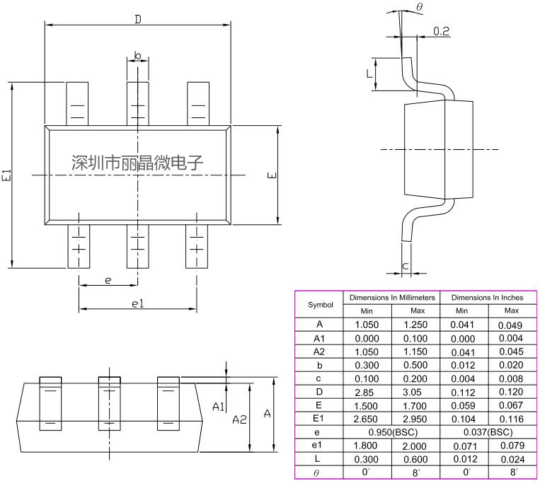
三.封装脚位图(SOT23-6)
|
管脚号 |
符号 |
功能描述 |
|
1 |
KEY |
按键开关 |
|
2 |
GND |
电源负 |
|
3 |
OUTL |
LED输出,低电平有效 |
|
4 |
OUTH |
LED输出,高电平有效 |
|
5 |
VDD |
电源正 |
|
6 |
NC |
悬空 |
四.参考应用图
五.封装尺寸(SOT23-6)
六.版本说明
|
型号 |
日期 |
描述 |
|
ECJ22078--D8A5B0 |
2022/05/14/ |
V01F1初版99-50-15% |
|
ECJ22078-7C8B67 |
2022/5/23 |
V02改100% |
|
ECJ22111-AFD782 |
2022/8/16 |
V03改按键20mS有效 |


